Panasonic Ceiling Fan Regulator

Review Panasonic 1200mm 48 Inch 3 Blade Regulator Ceiling Fan F M12a0 White Twin Set 2 Pcs Order In Good Ceiling Fan Home Appliances Heating And Cooling

Review Panasonic 1200mm 48 Inch 3 Blade Regulator Ceiling Fan F M12a0 White Twin Set 2 Pcs Order In Good Ceiling Fan Home Appliances Heating And Cooling

Panasonic Ceiling Auto Cycle Fan With Metal Blade 16 F409qs Ventilation Fan Industrial Wall Electric Lighter

Panasonic Ceiling Auto Cycle Fan With Metal Blade 16 F409qs Ventilation Fan Industrial Wall Electric Lighter

Telefac Panasonic 12 Fan 1980s Portugal

Telefac Panasonic 12 Fan 1980s Portugal

This Is My Vintage National Fan From 1964 12 Metal Blades And Body Please Visit Teltras68 On Youtube And Subscribe Coastal Deco Vintage Fans Old Fan

This Is My Vintage National Fan From 1964 12 Metal Blades And Body Please Visit Teltras68 On Youtube And Subscribe Coastal Deco Vintage Fans Old Fan

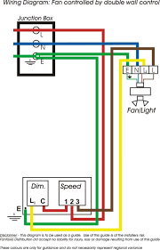
Pin On Light Wiring Diagram

Pin On Light Wiring Diagram

Fan Cover That I Would Mount In The Window Not In The Ceiling No Need For The Extra Duct Work K Bathroom Exhaust Fan Bathroom Fan Bathroom Exhaust Fan Cover

Fan Cover That I Would Mount In The Window Not In The Ceiling No Need For The Extra Duct Work K Bathroom Exhaust Fan Bathroom Fan Bathroom Exhaust Fan Cover

Fan Cover That I Would Mount In The Window Not In The Ceiling No Need For The Extra Duct Work K Bathroom Exhaust Fan Bathroom Fan Bathroom Exhaust Fan Cover

Well managed indoor air quality is crucial to code compliance.

Panasonic ceiling fan regulator. Specially textured surface with matte finish and sleek plate design. Compact size condenser controlled regulator 5 speed selection cut off safety switch equipped fall prevention of blade adopted safety wire provided to prevent detachment of fan motor from rod thermal fuse prevents overheating or power surge permanently lubricated ball bearing. Whispersense dc precision spot ventilation fan with built in dual sensor technology motion moisture for automatic moisture and odor control.

Our installer friendly energy star ventilation solutions help you design beyond code without compromising interior aesthetics. Panasonic malaysia online store offers free delivery of product purchase from now until further notice. Features pick a flow speed selector switch to select required airflow 50 80 110 cfm and ecm motor with smartflow technology for optimum performance.

Panasonic f 56mz2 56 inch compact ceiling fan 220 to 240 volt. With compact regulator available in 48 56 f 48xz5 f 56xz5 with slim regulator 4 safety features. Ceiling fan f m15a0 60 inch 5 speed regulator javascript seems to be disabled in your browser.

Specialty range available for residential commercial hospitality use. Can be used to comply with the latest codes and standards. For the best experience on our site be sure to turn on javascript in your browser.

Add to wishlist remove from wishlist. Explore the panasonic f m14hwvbsqh ceiling fan ceiling fans create a strong airflow and also aid the circulation of cool air from air conditioning systems. Thermal safety fuse against fire hazard prevents electric shocks and protects motor from current surge.

Reliable multi level safety protection. Browse panasonic fans. Econavi feature dc motor technology yuragi function enhanced safety features lcd remote control 9 sequential speed selection.

A Canarm Catalyst Ceiling Fan At My 2nd Grandma S House Youtube Ceiling Fan Fan Grandmas House

A Canarm Catalyst Ceiling Fan At My 2nd Grandma S House Youtube Ceiling Fan Fan Grandmas House

Image Result For Wiring Of Refrigerator Pdf Refrigerator Compressor Refrigeration And Air Conditioning Compressor

Image Result For Wiring Of Refrigerator Pdf Refrigerator Compressor Refrigeration And Air Conditioning Compressor

42 White Mainstays Hampton Bay Littleton Hugger Ceiling Fan Youtube Hugger Ceiling Fan Hampton Bay Youtube

42 White Mainstays Hampton Bay Littleton Hugger Ceiling Fan Youtube Hugger Ceiling Fan Hampton Bay Youtube

Panasonic Water Heater Price Bd Panasonic Water Heater Water Heater Heater Panasonic

Panasonic Water Heater Price Bd Panasonic Water Heater Water Heater Heater Panasonic

Quạt Trần Kdk M56pr Quạt Trần Quạt

Quạt Trần Kdk M56pr Quạt Trần Quạt

25 Opt For This And Plain Exhaust Fan With Seperate Liht Amazon Com Panasonic Fv Gl3tdb 14 1 2 Inch Ab Bathroom Exhaust Fan Bathroom Fan Finished Bathrooms

25 Opt For This And Plain Exhaust Fan With Seperate Liht Amazon Com Panasonic Fv Gl3tdb 14 1 2 Inch Ab Bathroom Exhaust Fan Bathroom Fan Finished Bathrooms

Source : pinterest.com